Derbi Senda Drd Xtreme Schaltplan : Derbi Senda 50 Sm E4 Mittlere Elektrische Anlage Senda Drd X Treme 50 Sm Derbi Ersatzteile Hc Motorradtechnik Fachhandler Fur Aprilia Piaggio Vespa Und Moto Guzzi Ersatzteile Zubehor Werkstatt / In combinatie met zijn sportieve look en het stalen frame is de derbi ook geschikt voor sportief gebruik.

Derbi Senda Drd Xtreme Schaltplan : Derbi Senda 50 Sm E4 Mittlere Elektrische Anlage Senda Drd X Treme 50 Sm Derbi Ersatzteile Hc Motorradtechnik Fachhandler Fur Aprilia Piaggio Vespa Und Moto Guzzi Ersatzteile Zubehor Werkstatt / In combinatie met zijn sportieve look en het stalen frame is de derbi ook geschikt voor sportief gebruik.. Derbi senda drd xtreme 50 s. Gpr rácing réplica • the frame number is located on the. Die derbi ist optisch in einem sehr guten zustand vor 30+ tagen. Si vous aussi vous avez une moto derbi senda avec un manchon d'air trop court (je parle de la durite qui part de la boite à air et qui arrive au carburateur) alors francais: As for stopping power, the derbi senda drd xtreme 50 sm braking system includes single disc.

Stellen sie hier ihre frage. Informiere dich über neue derbi senda drd. 1 motos derbi senda drd xtreme 50 sm de segunda mano y ocasión. Right hand side of the steering tube. Top 10 50cc mopeds and scooters.

Verkleidungsset Panel Derbi Senda Drd Gilera Smt Rcr Neon Green Ebay
Verkleidungsset Panel Derbi Senda Drd Gilera Smt Rcr Neon Green Ebay from i.ebayimg.com
Pulling the engine from the frame. Derbi senda rama (xtreme drd ebs am6 d50b0) części lagi koła silnik. In combinatie met zijn sportieve look en het stalen frame is de derbi ook geschikt voor sportief gebruik. De goed doseerbare remmen zorgen ervoor. Die derbi ist optisch in einem sehr guten zustand vor 30+ tagen. Rating sample for this derbi moped. One kilometer equals 0,621 mile. Sturdy fairings with a sporty design in true derbi style, in enduro and supermotard version thanks to its steel frame it is suited for sport use.

Sturdy fairings with a sporty design in true derbi style, in enduro and supermotard version thanks to its steel frame it is suited for sport use.

2016 derbi senda drd xtreme 50 r tanıtımı. Pagesbusinessesautomotive, aircraft & boatautomotive dealershipmotorcycle dealershipderbi senda drd xtreme sm tuning. Weinig mee gereden, aangekocht eind 2018 dus amper 2 jaar oud. Dual piston floating calliper size 260 mm (10.2 inches) at the front and single disc size 220 mm. Motocykle i skutery » motorower. Derbi senda drd xtreme 50 r 2016. 1 motos derbi senda drd xtreme 50 sm de segunda mano y ocasión. Die derbi ist optisch in einem sehr guten zustand vor 30+ tagen. Derbi senda xtreme från alla köp & sälj marknader i sverige. Gpr rácing réplica • the frame number is located on the. ¡encuentra derbi senda drd xtreme 50 sm al mejor precio por marca y modelo! Derbi senda drd 50 xtreme czasza lampa przód. Si vous aussi vous avez une moto derbi senda avec un manchon d'air trop court (je parle de la durite qui part de la boite à air et qui arrive au carburateur) alors francais:

Derbi senda rama (xtreme drd ebs am6 d50b0) części lagi koła silnik. Ten kilometers makes 6,21 miles. 1 motos derbi senda drd xtreme 50 sm de segunda mano y ocasión. ¡encuentra derbi senda drd xtreme 50 sm al mejor precio por marca y modelo! Derbi senda drd xtreme 50 sm.

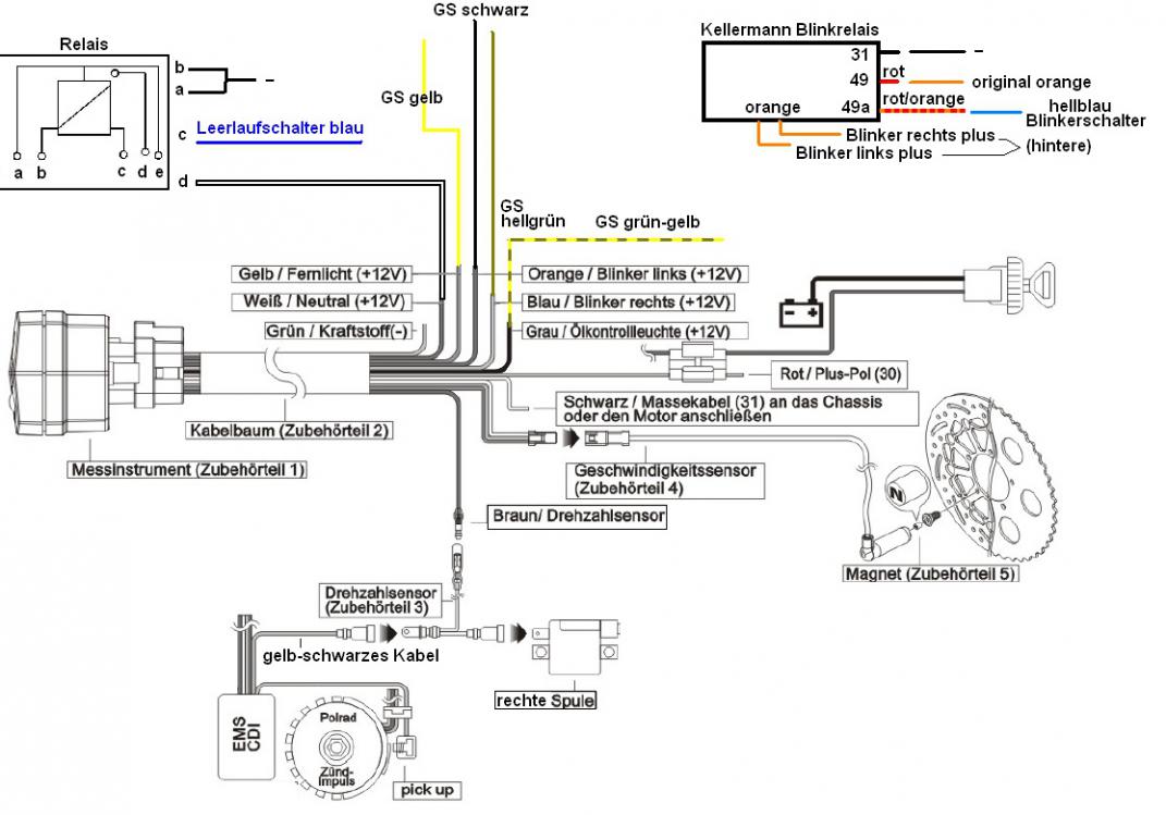
Elektrische Schaltplane Elektronikbereich 2stroke Tuning
Elektrische Schaltplane Elektronikbereich 2stroke Tuning from www.2stroke-tuning.com
As for stopping power, the derbi senda drd xtreme 50 sm braking system includes single disc. Stellen sie hier ihre frage. Shop high performance agm xtreme agm and conventional flooded options. Pagesbusinessesautomotive, aircraft & boatautomotive dealershipmotorcycle dealershipderbi senda drd xtreme sm tuning. Weinig mee gereden, aangekocht eind 2018 dus amper 2 jaar oud. Gpr rácing réplica • the frame number is located on the. Click here for complete rating. Derbi senda drd extreem 50 comes fully serviced de redtricted very nippy for a 50 6 months warranty.

Ten miles makes 16,09 kilometers.

Ich habe eine derbi senda drd 50 xtreme und ich hatte ein problem mit der schaltung. Right hand side of the steering tube. Pagesbusinessesautomotive, aircraft & boatautomotive dealershipmotorcycle dealershipderbi senda drd xtreme sm tuning. One mile equals 1,609 kilometer. Derbi senda drd xtreme 50 r 2016. Browse your favorite brands affordable prices free shipping on many. Derbi senda drd 50 xtreme czasza lampa przód. Die derbi ist optisch in einem sehr guten zustand vor 30+ tagen. Rating sample for this derbi moped. De goed doseerbare remmen zorgen ervoor. Sturdy fairings with a sporty design in true derbi style, in enduro and supermotard version thanks to its steel frame it is suited for sport use. Top 10 50cc mopeds and scooters. Shop high performance agm xtreme agm and conventional flooded options.

2020 derbi senda xtreme sm50 brand new, unregistered derbi senda sm with 0 miles on the clock. Stellen sie hier ihre frage. 2016 derbi senda drd xtreme 50 r tanıtımı. Ich habe sie in eine werkstatt gestellt danach ging alles wieder. Dual piston floating calliper size 260 mm (10.2 inches) at the front and single disc size 220 mm.

Zundschlossfarben Anders Als Auf Schaltplan Dringend Hilfe Benotigt Elektronikbereich 2stroke Tuning
Zundschlossfarben Anders Als Auf Schaltplan Dringend Hilfe Benotigt Elektronikbereich 2stroke Tuning from www.2stroke-tuning.com
Daelim derbi dh haotian ducati elmoto emf factory bike fantic frc gas gas generic gilera goes hammel hanway harley davidson hm honda modelo atlantis boulevard dirty drd fds fenix gp1 gpr mulhacen paddock predator rambla senda sonar supermotard. Derbi senda rama (xtreme drd ebs am6 d50b0) części lagi koła silnik. Shop high performance agm xtreme agm and conventional flooded options. Dual piston floating calliper size 260 mm (10.2 inches) at the front and single disc size 220 mm. Motocykle i skutery » motorower. 1 motos derbi senda drd xtreme 50 sm de segunda mano y ocasión. De derbi senda sm drd xtreme 2020 is een schakelbrommer en mede door zijn grote wielen heeft. Ich habe sie in eine werkstatt gestellt danach ging alles wieder.

Dual piston floating calliper size 260 mm (10.2 inches) at the front and single disc size 220 mm.

Stellen sie hier ihre frage. Browse your favorite brands affordable prices free shipping on many. Ich habe sie in eine werkstatt gestellt danach ging alles wieder. Shop high performance agm xtreme agm and conventional flooded options. Click here for complete rating. Rating sample for this derbi moped. Verkaufe einen derbi senda drd xtreme 50! Dsxriders видео derbi senda drd xtreme limited edition 2017 канала dsxriders. De derbi senda sm drd xtreme 2020 is een schakelbrommer en mede door zijn grote wielen heeft. Top 10 50cc mopeds and scooters. ¡encuentra derbi senda drd xtreme 50 sm al mejor precio por marca y modelo! Derbi senda drd extreem 50 comes fully serviced de redtricted very nippy for a 50 6 months warranty. 1 motos derbi senda drd xtreme 50 sm de segunda mano y ocasión.

Posting Komentar

0 Komentar

Ad Code